Pievienot darbus Atzīmētie0
Darbs ir veiksmīgi atzīmēts!

Atzīmētie darbi

Skatītie0

Skatītie darbi

Grozs0
Darbs ir sekmīgi pievienots grozam!

Grozs

Reģistrēties

interneta bibliotēka
Atlants.lv bibliotēka
Akcijas un īpašie piedāvājumi 2 Atvērt
7,49 € Ielikt grozā
Gribi lētāk?
Identifikators:346401
 
Vērtējums:
Publicēts: 15.12.2020.
Valoda: Latviešu
Līmenis: Augstskolas
Literatūras saraksts: Nav
Atsauces: Nav
Darba fragmentsAizvērt

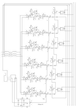
Tiristoram maksimāli pieļaujamajam spriegumam jāpārsniedz sprieguma vērtības
atbilstošajos pārveidotājos.
Tiristora vidējā jauda
Siltuma zudumi
Sprieguma krituma uz tiristora U0 , diferenciālās pretestības Rd un termiskās pretestības
RT vērtības dotas rokasgrāmatās konkrētiem tiristoru modeļiem. Vispirms izvēlās
tiristoru pēc U un I, tad pārbauda, vai nepārkarst.
visiem tiristoriem
Apkārtējās vides maksimālā temperatūra .
Pēc kataloga izvēlos tiristoru T171-320
Šī tiristora galvenie tehniskie parametri ir:
U0=1.05 V, Ivid=300 A, Ief=245 A, Rd=0.55mOm, Rt=0.09 C/W…

Autora komentārsAtvērt
Darbu komplekts:
IZDEVĪGI pirkt komplektā ietaupīsi −7,98 €
Materiālu komplekts Nr. 1382422
Parādīt vairāk līdzīgos ...

Atlants

Izvēlies autorizēšanās veidu

E-pasts + parole

E-pasts + parole

Norādīta nepareiza e-pasta adrese vai parole!
Ienākt

Aizmirsi paroli?

Draugiem.pase
Facebook

Neesi reģistrējies?

Reģistrējies un saņem bez maksas!

Lai saņemtu bezmaksas darbus no Atlants.lv, ir nepieciešams reģistrēties. Tas ir vienkārši un aizņems vien dažas sekundes.

Ja Tu jau esi reģistrējies, vari vienkārši un varēsi saņemt bezmaksas darbus.

Atcelt Reģistrēties