Pievienot darbus Atzīmētie0
Darbs ir veiksmīgi atzīmēts!

Atzīmētie darbi

Skatītie0

Skatītie darbi

Grozs0
Darbs ir sekmīgi pievienots grozam!

Grozs

Reģistrēties

interneta bibliotēka
Atlants.lv bibliotēka
Akcijas un īpašie piedāvājumi 2 Atvērt
12,99 € Ielikt grozā
Gribi lētāk?
Identifikators:565587
 
Autors:
Vērtējums:
Publicēts: 19.12.2024.
Valoda: Latviešu
Līmenis: Augstskolas
Literatūras saraksts: Nav
Atsauces: Nav
SatursAizvērt
Nr. Sadaļas nosaukums  Lpp.
  Variants 65.    4
1.  Ēkas konstruktīvā risinājuma pamatojums    5
1.1.  Ēkas šķērsrāmja parametru precizēšana (karkasa gabarītizmēru noteikšana)    5
1.2.  Karkasa elementu savstarpējais izvietojums    8
2.  Slodžu aprēķins    10
2.1.  Pārseguma paneļa pašsvars    10
2.2.  Kopnes pašsvars    11
2.3.  Sniega slodzes    12
2.4.  Vēja iedarbes    13
2.5.  Slodze no ārsienu apšuvuma paneļiem    18
2.6.  Slodzes    19
2.7.  Slodžu kombinācijas    20
3.  Jumta paneļa aprēķins    24
3.1.  Jumta pārseguma paneļa aprēķina shēma    24
3.2.  Paneļa ģeometriskie raksturlielumi    24
3.3.  Paneļa aprēķina efektīvais šķērsgriezums    25
3.4.  Materiāla stiprības raksturīgās īpašības    27
3.5.  Parciālie drošības koeficienti    27
3.6.  Slodzes un statiskais aprēķins    28
3.7.  Darbības apstākļu koeficienti    28
3.8.  Ģeometriskie lielumi    29
3.9.  Lieces spriegumu pārbaude plauktos    30
3.10.  Lieces un skaldes spriegumu pārbaude ribās    31
3.11.  Skaldes spriegumu pārbaude līmētās šuvēs    32
3.12.  Deformācijas no pastāvīgās slodzes – galīgās vērtības    32
4.  Kopnes aprēķins    35
4.1.  Piepūļu aprēķins    35
4.2.  Stieņu aprēķins un dimensionēšana    43
5.  Kolonnas aprēķins    59
5.1.  Piepūļu noteikšana    59
5.2.  Kolonnas dimensionēšana    62
6.  Fahverka kolonnas aprēķins    66
6.1.  Aprēķina shēma    66
6.2.  Izmēru pieņemšana    66
6.3.  Fahverka kolonnas pārbaudes    67
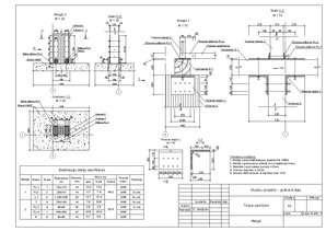
7.  Mezgli    70
7.1.  Kopnes balstmezgls    70
7.2.  Stings kolonnas balstmezgls    76
Darba fragmentsAizvērt

U Z D E V U M S
Studiju projektam priekšmetā BBK 761 ”Koka konstrukcijas”
2021./2022. m.g.
Variants 65.
Students: Alise Avotiņa
stud. apl. Nr. 191RBC028
Studiju programma: RBCB0 – 3. kurss 1. grupa.
Uzdevums izsniegts: 2022. gada 04.02.
Izsniegtais uzdevums derīgs aizstāvēšanai līdz: 2022. gada 17.06,
(termiņā neaizstāvētam projektam jāsaņem jauns uzdevums).
Izstrādāt tehnisko projektu (1.lapa) un galveno konstruktīvo elementu darba
rasējumus (lapu skaits pēc vajadzības) tirgus paviljonam.
1. Būves šķērsgriezums
a) būves garums:
1. Būves izmēri
54 m (starp asīm);
b) laidumu skaits būves šķērsvirzienā:
c) būves platums:
d) augstums:
konstrukcijas apakšējai joslai);
a) koksne:
1;
L = 26 (starp asīm);
H = 5.0 m (no grīdas līdz nesošās…

Autora komentārsAtvērt
Parādīt vairāk līdzīgos ...

Atlants

Izvēlies autorizēšanās veidu

E-pasts + parole

E-pasts + parole

Norādīta nepareiza e-pasta adrese vai parole!
Ienākt

Aizmirsi paroli?

Draugiem.pase
Facebook

Neesi reģistrējies?

Reģistrējies un saņem bez maksas!

Lai saņemtu bezmaksas darbus no Atlants.lv, ir nepieciešams reģistrēties. Tas ir vienkārši un aizņems vien dažas sekundes.

Ja Tu jau esi reģistrējies, vari vienkārši un varēsi saņemt bezmaksas darbus.

Atcelt Reģistrēties