Pievienot darbus Atzīmētie0
Darbs ir veiksmīgi atzīmēts!

Atzīmētie darbi

Skatītie0

Skatītie darbi

Grozs0
Darbs ir sekmīgi pievienots grozam!

Grozs

Reģistrēties

interneta bibliotēka
Atlants.lv bibliotēka
Akcijas un īpašie piedāvājumi 2 Atvērt
14,20 € Ielikt grozā
Gribi lētāk?
Identifikators:843876
 
Vērtējums:
Publicēts: 16.06.2011.
Valoda: Latviešu
Līmenis: Augstskolas
Literatūras saraksts: 10 vienības
Atsauces: Nav
SatursAizvērt
Nr. Sadaļas nosaukums  Lpp.
  Darba uzdevums    3
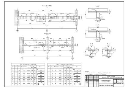
1.  Monolītās plātnes aprēķins    4
2.  Palīgsijas aprēķins    9
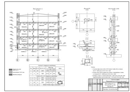
3.  Galvenās sijas aprēķins    14
4.  Pagrabstāva kolonnas aprēķins    19
5.  Pamatu pēdas aprēķins    21
6.  FIBO bloku sienas aprēķins    24
7.  Pagrābstāva sienas aprēķins    27
  Izmantotā literatūra    32
Darba fragmentsAizvērt

Darba uzdevums:
Izstrādāt monolītā dzelzsbetona starpstāvu pārseguma, kolonnu un to pamatu konstrukciju
projektu daudzstāvu ēkai ar nepilnu karkasu un pagraba stāvu.
Veikt elementu dimensionēšanu un nepieciešamās pārbaudes:
monolītām sijveida starpstāva pārsegumam (plātnei, palīgsijai, galvenajai sijai);
pagrabstāva kolonnai un tās pamatam;
1.stāva ārējās mūra garensienai un pagraba sienai.
Projekta izejas dati
1. Ēkas izmēri plānā (pa asīm) – garums L 60m , platums B 28m.
2. Virszemes stavu skaits n 4 .
3. Stāvu augstums H 4.2m.
4. Ēkas ārējās sienas – keramzītbetona „FIBO” bloki, bet ēkas iekšpusē starpstāvu pārsegumi
balstās uz monolītā dzelzsbetona kolonnām.
5. Jumta konstrukcija balstās tikai uz mūra ārsienām bez starpbalstiem (kolonnu nav).
6. Raksturīgā lietderīgā slodze uz starpstāvu pārsegumiem p 6.5kPa .
7. Celtniecības vieta – Valmiera.
8. Grunts aprēķina pretestība R 0.23MPa 0 .
9. Betona klase C12/15   ck f .
10. Nesaspriegtā darba stiegrojuma tērauda klase B400   yk f .
11. Apkārtējās vides iedarbības klase XD1.
Pēc LVS EN 1992-1-1 ieteicama betona klase C30/ 37 .
12. Konstrukciju klase S5 .…

Autora komentārsAtvērt
Parādīt vairāk līdzīgos ...

Atlants

Izvēlies autorizēšanās veidu

E-pasts + parole

E-pasts + parole

Norādīta nepareiza e-pasta adrese vai parole!
Ienākt

Aizmirsi paroli?

Draugiem.pase
Facebook

Neesi reģistrējies?

Reģistrējies un saņem bez maksas!

Lai saņemtu bezmaksas darbus no Atlants.lv, ir nepieciešams reģistrēties. Tas ir vienkārši un aizņems vien dažas sekundes.

Ja Tu jau esi reģistrējies, vari vienkārši un varēsi saņemt bezmaksas darbus.

Atcelt Reģistrēties