-
Cilindriskās žāvētavas iekārta
| Nr. | Sadaļas nosaukums | Lpp. |
| DARBA UZDEVUMS | 4 | |
| IEVADS | 5 | |
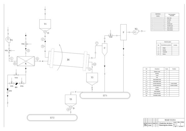
| IEKĀRTAS TEHNOLOĢISKĀ SHĒMA | 6 | |
| IEKĀRTAS APRĒĶINS | 8 | |
| 1. | Žāvētavas aprēķins | 8 |
| 1.1. | Mitra gaisa parametru noteikšana | 8 |
| 1.4.1. | Cilindra pildījums | 12 |
| 1.4.2. | Cilindra tilpums | 13 |
| 1.4.3. | Žāvēšanas cilindra izvēle | 16 |
| 1.5. | Cilindra mehāniskie aprēķini | 18 |
| 1.5.1. | Sieniņas biezuma aprēķins | 18 |
| 1.5.2. | Cilindra pārbaude uz izturību | 18 |
| 1.5.3. | Cilindra pārbaude uz izlieci | 20 |
| 1.5.4. | Bandāžu aprēķins | 20 |
| 1.5.5. | Balstrullīšu aprēķins | 21 |
| 1.5.6. | Atturrullīšu aprēķins | 21 |
| 1.5.7. | Bandāžas pārbaude uz izlieci | 22 |
| 2. | Papildaparātu aprēķins | 23 |
| 2.1. | Kalorifera aprēķins | 23 |
| 2.1.1. | Kondensāta novadītājs | 26 |
| 2.2. | Atstrādātā gaisa attīrīšana | 28 |
| 2.2.1. | Ciklons | 28 |
| 2.2.2. | Filtri | 31 |
| 2.3. | Ventilatori | 33 |
| 2.3.1. | Pirmais ventilators | 34 |
| 2.3.2. | Otrais ventilators | 36 |
| 2.5. | Siltumizolācija | 40 |
| 2.6. | Cilindra sajūgs | 41 |
| 2.7. | Materiāla iepakošana | 41 |
| SECINĀJUMI | 42 | |
| LITERATŪRA | 43 | |
| PIELIKUMS | 44 |
SECINĀJUMI
Šajā kursa darbā tika apskatīta un aprēķināta cilindrveida žāvētava nātrija hlorīda žāvēšanai ar karstu gaisu, kas ir uzsildīts kaloriferā ar ūdens tvaiku, un tās palīgiekārtas. Izžāvēts produkts tiek iepakots kartona kastēs.
Aprēķini veikti, izmantojot iepriekš izstrādātu metodiku. Iegūtie rezultāti ir ticami, taču, ja šāda iekārta tiktu veidota reālajā dzīvē, būtu nepieciešams aprēķinu pareizību pārbaudīt praksē pilotiekārtās un ar dažādiem mērījumiem laboratorijā, jo aprēķinu gaitā ir veikti daudzi pieņēmumi.
Pēc tehniskā aprēķina tika noteikti cilindriskās žāvētavas galvenie parametri:
• garums L = 18 ,
• diametrs d = 3,5 .
Tā kā produkts pēc aprēķina ir jāžāvē aptuveni 46 min ar žāvējamā materiāla patēriņu 7,5 kg/s, tad var secināt, ka aprēķinātie žāvētavas galvenie parametri ir ticami.
Darbā ir aprēķinātas un aprakstītas tikai būtiskākās palīgiekārtas. Ja aprēķinus būtu paredzēts izmantot praksē, tad rūpīgāk jāprecizē fizikālie lielumi, piemēram, siltumietilpības, blīvumi, daļiņu izmēri u.c. un būtu jāiekļauj arī citu, šajā darbā neapskatītu, iekārtu aprēķins, piemēram, transportieris, motors u.c.
Izpētot literatūru, var secināt, ka tiek piedāvātas vairākas nedaudz atšķirīgas metodikas, taču galvenajos punktos (piemēram, siltuma un masas bilanču sastādīšana) tās ir līdzīgas. Plaši tiek izmantoti empīriski vienādojumi, piemēram, masas atdeves koeficienta noteikšanai. Šāda veida aprēķinos bieži jāizmanto dažādas diagrammas, nomogrammas un rokasgrāmatas.
…
Kursa darbs priekšmetā „Ķīmijas tehnoloģijas procesi un aparāti”. Pielikumā arī rasējums.
- Cilindriskās žāvētavas iekārta
- Darba ražīguma organizēšana ražošanas uzņēmumā SIA "Lat Salta"
- Metālapstrāde
-
Tu vari jebkuru darbu ātri pievienot savu vēlmju sarakstam. Forši!Metālapstrāde
Referāts augstskolai14
-
Darba ražīguma organizēšana ražošanas uzņēmumā SIA "Lat Salta"
Referāts augstskolai31
-
Biznesa plāns - uzņēmuma attīstības perspektīvu atspoguļotājs
Referāts augstskolai46
-
Mārketinga organizēšana uzņēmumā
Referāts augstskolai12
-
Biroja tehnika
Referāts augstskolai33

