Pievienot darbus Atzīmētie0
Darbs ir veiksmīgi atzīmēts!

Atzīmētie darbi

Skatītie0

Skatītie darbi

Grozs0
Darbs ir sekmīgi pievienots grozam!

Grozs

Reģistrēties

interneta bibliotēka
Atlants.lv bibliotēka
Akcijas un īpašie piedāvājumi 2 Atvērt
14,20 € Ielikt grozā
Gribi lētāk?
Identifikators:773105
 
Vērtējums:
Publicēts: 27.05.2011.
Valoda: Latviešu
Līmenis: Augstskolas
Literatūras saraksts: 2 vienības
Atsauces: Nav
SatursAizvērt
Nr. Sadaļas nosaukums  Lpp.
1.  Uzdevuma varianta šifrs un izejas dati    3
1.4  Būvniecības topogrāfiskie un inženierģeoloģiskie apstākļi    5
2.  Seklo pamatu projektēšana    7
2.2  Ārsienas un pamatu sijas pašsvara aprēķins (Gs,k un Gc,k)    9
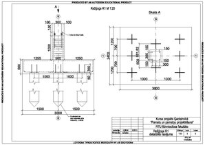
2.3  Seklā pamata un pamatnes skice ar aprēķina shēmu    9
2.3.1  Kolonnu izvietojuma plāns    10
2.4  Slodžu aprēķina lielumu noteikšana    12
2.5  Grunts nestspējas aprēķināšana    13
2.6  Iegūtie rezultāti pēc aprēķinu kombinācijas Nr.2    14
2.7  Pamata pēdas horizontālās nestspējas aprēķins    16
2.8  Vājā slāņa pārbaude    17
2.9  Pamatu sēšanās aprēķins zem malējām kolonnām    23
3.  Pāļu pamatu projektēšana    25
3.2  Pāļu pamatu nestspējas aprēķins    26
3.3  Pāļa nestspējas noteikšana    27
3.4  Pāļu skaita pieņemšana pudurī un maksimālās slodzes noteikšana uz pāli    27
3.5  Pāļu pamata sēšanās aprēķins    30
Darba fragmentsAizvērt

Seklo pamatu projektēšana
Sākotnēji pieņemu ligzdas tipa monolītā pamata minimālo augstumu zem
saliekamām dzelzsbetona kolonnām 1,6m, kā augšmala novietota 150mm zemāk
par tīrās grīdas līmeni. Zem kolonnām pie ārsienām pamats uzņem pastāvīgo
slodzi ne tikai no kolonnas, bet arī no pamatu sijas un ārsienas.
2.1 Pamatu pēdas iebūves dziļuma noteikšana ievērojot
sezonas caursalšanas dziļumu un vājo grunts slāņu
novietojumu
Nosaka pamatu iebūves dziļumu saskaņā ar LBN 207-1 punktu 2.5.
d = d ∙ M , kur
M = 13.3
do - dziļums (m):
mālsmiltij un mālam - 0,23;
smilšmālam, putekļainai un smalkai smiltij – 0,28;
grantainai, rupjai un vidēji rupjai smiltij – 0,30;
rupjdrupu gruntij – 0,34.
Neviendabīgai gruntij dziļums do ir vidēji svērtais caursalšanas dziļuma biezumā:
d =
d, ∙ l + d, ∙ l
l + l
=
0.3 ∙ 1.0 + 0.28 ∙ 0.6
1.0 + 0.6
= 0.29
d = 0.29 ∙ √13.3 = 1.06m
d = k ∙ d
kur:
kh – koeficients, kas atkarīgs no būves siltumtehniskā režīma
af – koeficienta kh vērtības attiecas uz pamatiem, kuru ārmala līdz būves ārsienas
ārējai plaknei af<0,5m; ja af≥1,5m, tad koeficienta vērtības palielina par 0,1, bet
visos gadījumos kh=1; ja 0,5f<1,5m, koeficienta kh vērtību nosaka, lineāri
interpolējot.
(6. pielikums 1. tabula LBN 207-01)
d = 0.6 ∙ 1.06 = 0.64m…

Autora komentārsAtvērt
Parādīt vairāk līdzīgos ...

Atlants

Izvēlies autorizēšanās veidu

E-pasts + parole

E-pasts + parole

Norādīta nepareiza e-pasta adrese vai parole!
Ienākt

Aizmirsi paroli?

Draugiem.pase
Facebook

Neesi reģistrējies?

Reģistrējies un saņem bez maksas!

Lai saņemtu bezmaksas darbus no Atlants.lv, ir nepieciešams reģistrēties. Tas ir vienkārši un aizņems vien dažas sekundes.

Ja Tu jau esi reģistrējies, vari vienkārši un varēsi saņemt bezmaksas darbus.

Atcelt Reģistrēties