-
Diska virpošana
Paraugs38 Amatniecība, mājturība, Auto, moto u.c. tehnika, Datori, elektronika, programmēšana
| Nr. | Sadaļas nosaukums | Lpp. |
| 1. | Tehnoloģiskā daļa (A daļa) | 3 |
| 1.1. | Tehniskais uzdevums | 3 |
| 1.2. | Dotā iecirkņa skices | 3 |
| 1.3. | Ciklogrammas | 4 |
| 1.4. | Komandu un signālu saraksts | 6 |
| 2. | Algoritmizācija (B daļa) | 7 |
| 2.1. | Izveidotais algoritms | 7 |
| 1.algoritms | 8 | |
| 2.algoritms | 9 | |
| 3.algoritms | 10 | |
| 4.algoritms | 11 | |
| 3. | Algoritma reālizācija uz PLC (C daļa) | 12 |
| 3.1. | PLK izvēle un paskaidrojumi | 12 |
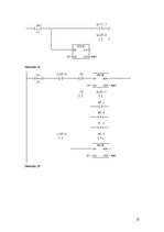
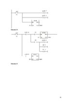
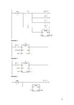
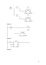
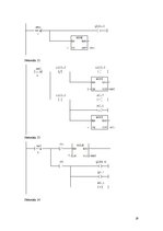
| 3.2. | Realizētais algoritms LAD valodā | 14 |
| 4. | Algoritma reālizācija uz PLM (D daļa) | 31 |
| 4.1. | Pirmais algoritms uz PLM | 31 |
| 4.2. | Otrais algoritms uz PLM | 34 |
| 4.3. | Trešais algoritms uz PLM | 37 |
| 4.4. | Ceturtais algoritms uz PLM | 39 |
| Secinājumi | 42 |
Secinājumi
1. Studiju darbā tika reālizēta diska virpošanas procesa reālizācija uz PLC un PLM.
2. Studiju darba noteiktā struktūra palīdzēja secīgi pārdomāt variantā noteikto automatizējamo uzdevumu, jo sākotnēji tika izprasts tehniskais uzdevums, veidotas iecirkņa skices, ciklogrammas – aizņemto laiku un komandu vidē, tālāk tika veidots pats algoritms, kas ir darba kodols, balstoties uz kura tika veikta reālizācija uz PLC un PLM.
3. Sākotnēji izprotot iedoto iecirkni un tā darbību, nelikās, ka varētu iznākt tik apjomīgs algoritms, kas norāda uz to, ka rūpīga algoritma veidošana, kas paredz arī kļūdu labošanu, padara to krietni lielāku un komplicētāku.
4. Izveidoto algoritmu bija nepieciešams dekomponēt, tādējādi loģiski sadalot to četrās daļās, lai katrā no daļām būtu jau pabeigts process jeb kā kopējā procesa posms, lai neveidotos tāda situācija, ka kāda darbība vēl izpildās, bet gan pāreja uz nākamo algoritmu notiek tad, kad iepriekšējā algoritmā paredzētās darbības ir izpildījušās un tiek padota komanda sākt nākamo algoritmu.
5. Lai kontrolētu pareizu komandu izpildi tiek lietoti taimeri un skaitītāji. Taimeri kontrolē noteiktas komandas izpildes laiku un gadījumā, ja komandai atvēlētajā laikā tā netika izpildīta, tad pāriet avārijas stāvoklī jeb iededzina uz tablo atbilstošo lampiņu un ieslēdz iepriekš darbojošās iekārtas, lai meistars neapdraudēti varētu labot iekārtu, kā arī tālāk netiktu bojātas tehnoloģiskajā procesā iesaistītās iekārtas.
6. Skaitītāji tika lietoti komandu atkārtotai palaišanai un pēc atvēlēto mēģinājumu skaita, neveiksmes gadījumā atkal pāriet uz avārijas stāvokli. Pašai virpošanas komandai, kā pašai svarīgākajai palaišanai tika izmantots taimeris un skaitītājs kopā, kad, ja komandu neizdodas palaist noteiktā laikā, tad to atslēdz un ieslēdz pa jaunam un šie mēģinājumi arī tiek skaitīti.
7. Programma LAD programmēšanas valodā tika veidota ar programmatūras SIMATIC STEP 7 v 5.5 palīdzību, tika izvēlēts atbilstošais kontrolieris CPU 313C-2DP, jo tas jau saturēja iebūvētas 16 ieejas un 16 izejas, tādēļ pietika pievienot klāt vēl 1 signālmoduli ar iebūvētām 8 ieejām un izejām.
8. Algoritma dekomponēšana nodrošināja arī ērtāku PLM daļas izpildi, tādēļ katrai algoritma daļai (iepr.tekstā saukti kā pirmais, otrais utt.algoritms) tika veidotas savas pamattabulas un programmēšanas tabulas, piemeklētas piemērotas mikroshēmas, jāpiebilst, ka iepriekšminēto tabulu veidošana prasa lielu pacietību un uzmanību, lai nenokļūdītos gan skaitot nepieciešamos parametrus, gan veidojot pašas tabulas.
9. Studiju darba veidošanas laikā tika dziļāk izprastas lekciju ietvaros iegūtās zināšanas un pielietotas saistībā ar konkrēto uzdevumu, tādēļ studiju darbs orintēts uz konkrētā uzdevuma izpildi un nesatur teorijas izklāstu, bet gan paskaidrojošo informāciju attiecībā uz diska virpošanas iecirkni.
…
Studiju darbs mācību priekšmetā "Datoru ciparvadības sistēmas un to projektēšana", kura ietvaros tika apskatīts diska virpošanas iecirknis, kuru bija nepieciešams automatizēt. Darbs sastāv no 3 daļām - tehnoloģiskajā daļā tiek izprasts un aprakstīts pats apskatāmais process, tam izvirzītās prasības, dotas skices, izveidotas ciklogrammas un komandu saraksti. Algoritmizācijas daļā tiek izveidots algoritms blokshēmu veidā. Nākamajā daļā tiek veikta iepriekš izveidotā algoritma reālizācija uz PLK jeb programmējamajiem loģiskajiem kontrolieriem Ladder Logic jeb LAD programmēšanas valodā, tiek aprakstīts arī izvēlētais kontrolieris un tā atbilstība izvirzītajām prasībām. Pēdējā darba daļā algritms tiek reālizēst arī uz programmējamajām loģiskajām matricām jeb PLM.
-
Diska virpošana
Paraugs38 Amatniecība, mājturība, Auto, moto u.c. tehnika, Datori, elektronika, programmēšana
- Informācijas sistēmas programmatūras prasību specifikācija
- Konkursa nolikums datortehnikas iegādei
-
Tu vari jebkuru darbu ātri pievienot savu vēlmju sarakstam. Forši!Konkursa nolikums datortehnikas iegādei
Paraugs augstskolai10
-
Informācijas sistēmas programmatūras prasību specifikācija
Paraugs augstskolai12
-
Mašīnu elementu aprēķini
Paraugs augstskolai23
-
Datora izjaukšana un salikšana
Paraugs augstskolai2
-
Vienkāršākās darbības ar TEXT tipa failiem
Paraugs augstskolai2

